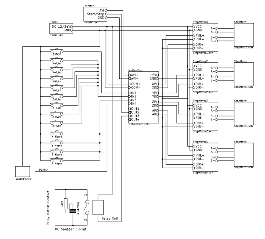
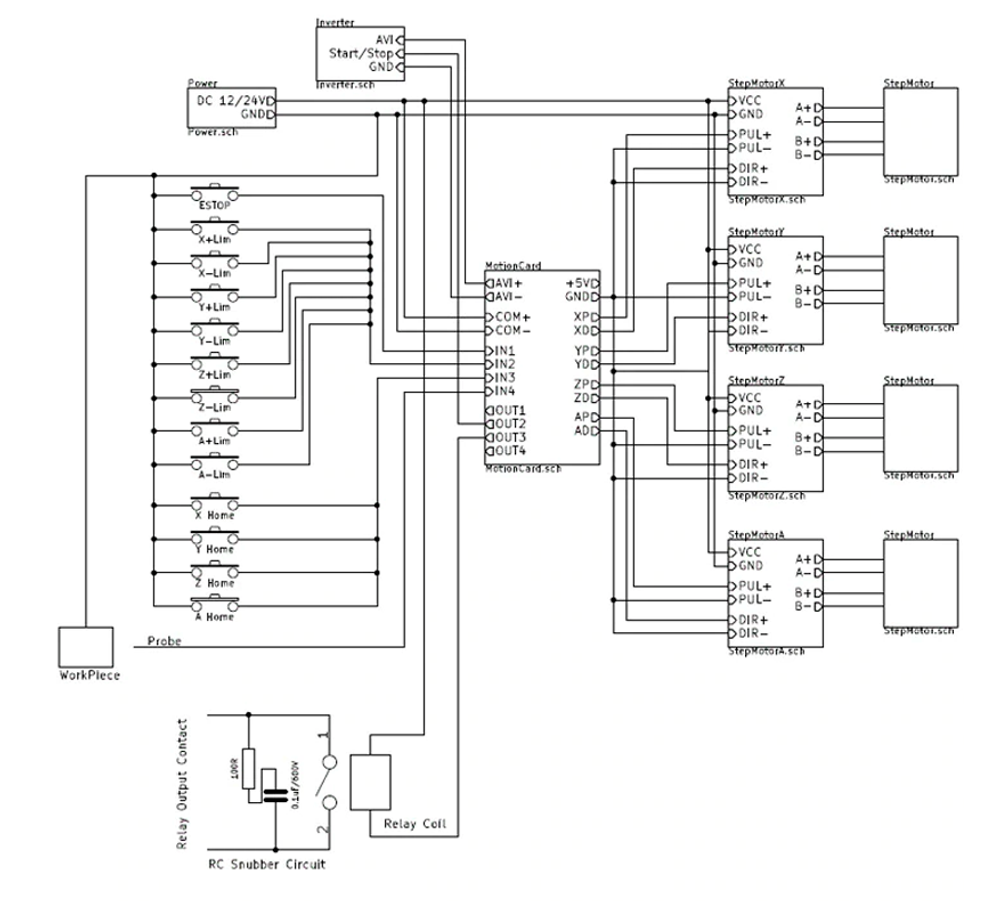
Описание
Контроллер CNC MACH3 USB плата управления ЧПУ на 4 оси. Контроллер ЧПУ 4-осевой USB Mach3 для управления системами ЧПУ под управлением программы Mach3. Поддерживаются 4 независимые оси перемещения. Выходная частота 100кГц, с минимальным алгоритмом интерполяции ошибок и высокой точностью обработки.
- USB-B интерфейс позволяющий подключить контроллер к ПК или ноутбуку
- Поддержка операционных систем Windows XP/7/10 (версий х32 и х64)
- 12 цифровых входов и 4 выходных порта
- Возможность подключить ротационный энкодер (Ручной Генератор Импульсов MPG)
Управление шпинделем: установка частоты вращения – ШИМ, установка частоты вращения – аналоговый выход, запуск/останов шпинделя – реле.
Опто-изолированные входы могут использоваться для: кнопки аварийного останова (E-Stop), концевые выключатели (Limits), датчики определения абсолютных координат станка (Home), датчик определения высоты инструмента над заготовкой (Probe).
Показать полностью
Свернуть
Отзывы
Отзывов еще никто не оставлял
Выбрать
- Технические характеристики, внешний вид и комплектация товара могут быть изменены производителем без предварительного уведомления.
Ранее просмотренные
