Промышленный датчик нагрузки QLLG‑13: высокоточное измерение весовых параметров
Общее описание
Датчик нагрузки QLLG‑13 — профессиональное измерительное устройство для мониторинга и контроля весовых нагрузок в промышленных системах. Предназначен для интеграции в весоизмерительное оборудование, автоматизированные линии и контрольные стенды, где критически важны точность и стабильность показаний.
Ключевые преимущества
-
Высокая точность измерений — минимизирует погрешность при определении массы и силовых воздействий;
-
Прочная конструкция — металлический корпус устойчив к вибрациям, ударам и агрессивным условиям производства;
-
Надёжность — рассчитан на длительную эксплуатацию в режиме интенсивной нагрузки;
-
Простая интеграция — стандартный аналоговый выход совместим с большинством промышленных контроллеров и систем сбора данных;
-
Универсальность — подходит для широкого спектра весоизмерительных задач в разных отраслях.
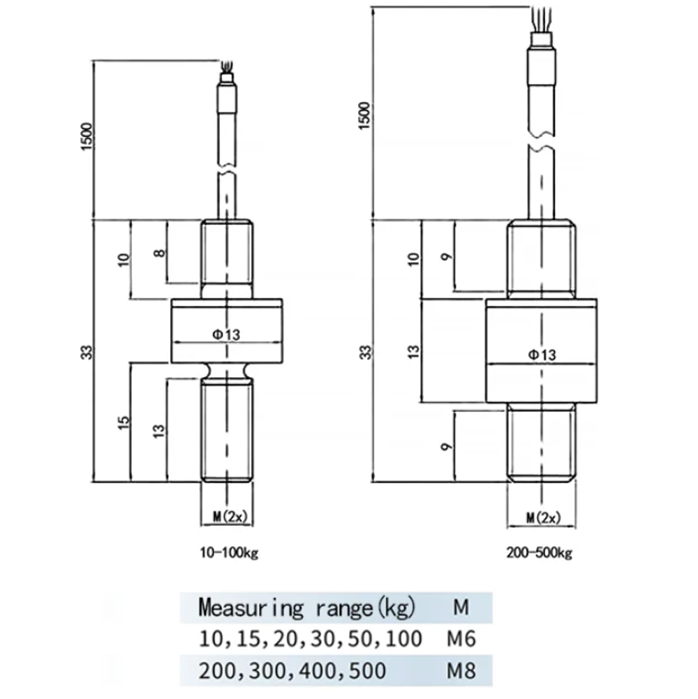
Технические характеристики
-
модель: QLLG‑13;
-
тип: тензометрический датчик нагрузки;
-
диапазон измерений: 0–30 кг;
-
выходной сигнал: аналоговый (уточните тип: напряжение/ток, если известно);
-
материал корпуса: коррозионностойкая сталь/алюминий (укажите конкретный материал);
-
класс точности: [указать, например, 0,2 % или соответствующий ГОСТ];
-
степень защиты: IP[XX] (укажите рейтинг пыле‑ и влагозащиты);
-
рабочий температурный диапазон: от [X] °C до [Y] °C;
-
габариты: [указать размеры];
-
масса: [указать вес датчика].
Области применения
-
промышленные весы и дозирующие установки;
-
автоматизированные конвейерные линии с контролем массы;
-
испытательные стенды для проверки прочности изделий;
-
системы контроля перегрузок в подъёмно‑транспортном оборудовании;
-
лабораторные установки для точных измерений;
-
оборудование пищевой, химической и фармацевтической промышленности;
-
системы мониторинга нагрузок в строительстве и машиностроении.
Принцип работы
Датчик преобразует механическую нагрузку в электрический сигнал посредством тензорезисторов, закреплённых на упругом элементе. При деформации элемента под действием веса изменяется сопротивление тензорезисторов, что фиксируется как пропорциональный выходной сигнал. Это позволяет точно измерять нагрузку в пределах диапазона 0–30 кг.
Комплектация
-
датчик нагрузки QLLG‑13;
-
монтажный комплект (крепёжные элементы, переходники — если есть);
-
технический паспорт и руководство по эксплуатации;
-
сертификат калибровки/поверки (если предоставляется).
Рекомендации по монтажу и эксплуатации
-
Установите датчик строго по проектной схеме, обеспечив жёсткое и соосное крепление.
-
Подключите аналоговый выход к контроллеру или системе сбора данных.
-
Выполните калибровку согласно инструкции (при первом запуске и периодически).
-
Не превышайте предельную нагрузку 30 кг — это может привести к необратимой деформации чувствительного элемента.
-
Избегайте боковых нагрузок и перекосов при монтаже.
-
Регулярно проверяйте состояние кабелей и разъёмов, а также чистоту контактных поверхностей.
Важные примечания
-
перед установкой изучите руководство по эксплуатации и схемы подключения;
-
соблюдайте указанные рабочие температуры и условия окружающей среды;
-
для поддержания точности проводите периодическую поверку датчика;
-
при появлении аномальных показаний или механических повреждений прекратите эксплуатацию и обратитесь в сервисный центр;
-
хранение осуществляйте в сухом помещении при температуре от [X] °C до [Y] °C.
- Технические характеристики, внешний вид и комплектация товара могут быть изменены производителем без предварительного уведомления.
